
Sie sind in der Kategorie: "Kegelräder" (20 Artikel) | ||
|---|---|---|
| Artikelbild | Artikelbeschreibung | Artikelpreis |
![]() Art.Nr.: KR0220 Artikel: 1 von 20 | Kegelrad MessingKegelrad Modul 0,2 / 20 ZähneModul 0,2 / Zähnezahl 20 Kopfkreis 4,5 mm Ø, Teilkreis 4 mm Ø, Höhe 1,8 mm, Bund 2,5 mm Ø x 0,8 mm Höhe, Bohrung 1,5 mm Ø, (Preisangabe für 1 Stück) | |
![]() Art.Nr.: KR0520 Artikel: 2 von 20 | Messing KegelradKegelräder Modul 0,5 / 20 ZähneModul 0,5 / Zähnezahl 20 Kopfkreis 10,7 mm Ø, Teilkreis 10 mm Ø, Höhe 5,7 mm, Bund 8 mm Ø x 3,0 mm Höhe, Bohrung 4 mm Ø, Achsabstand A bei 90° ca.9,0 mm(Preisangabe für 1 Stück) | |
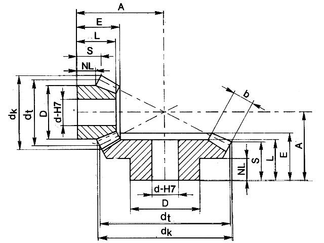
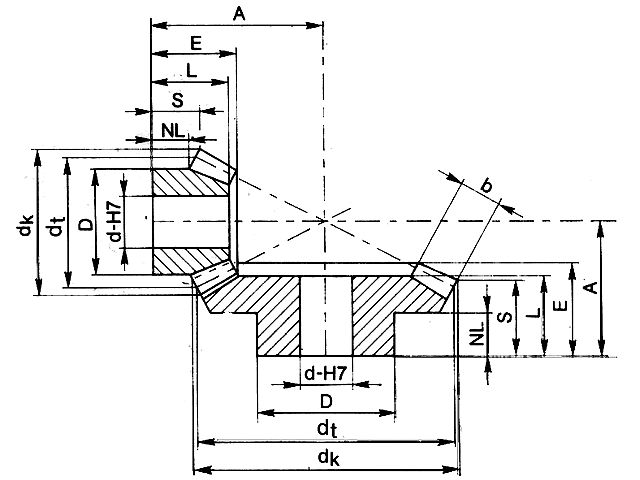
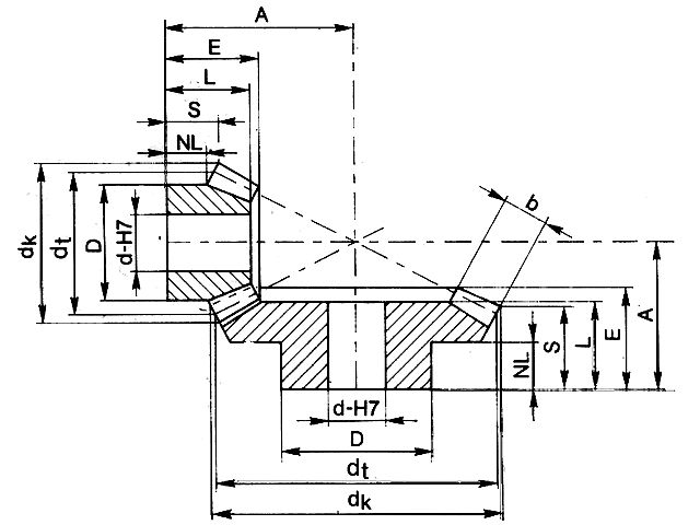
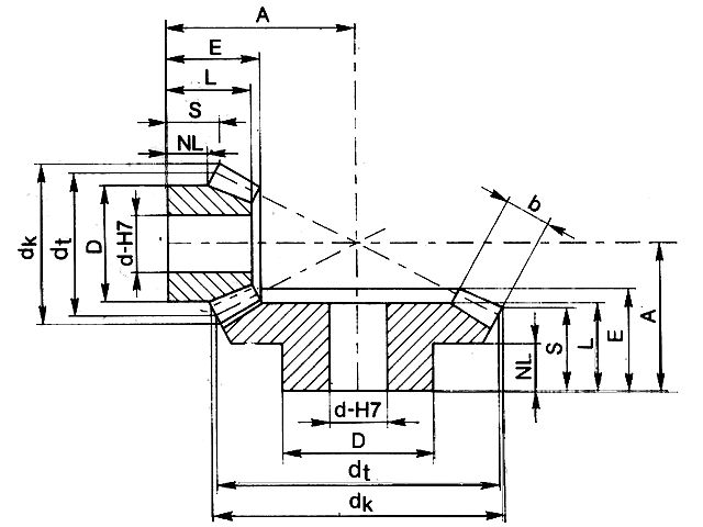
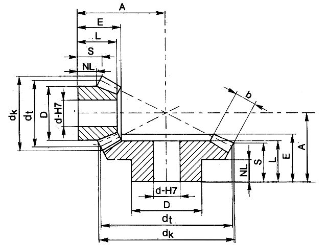
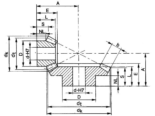
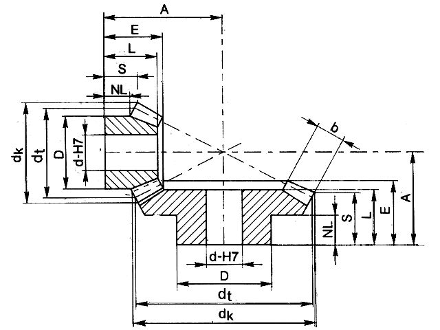
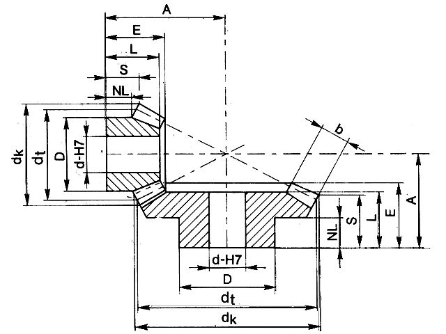
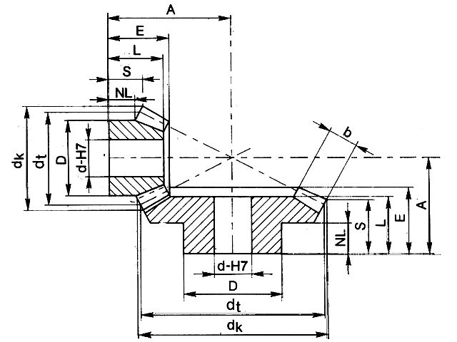
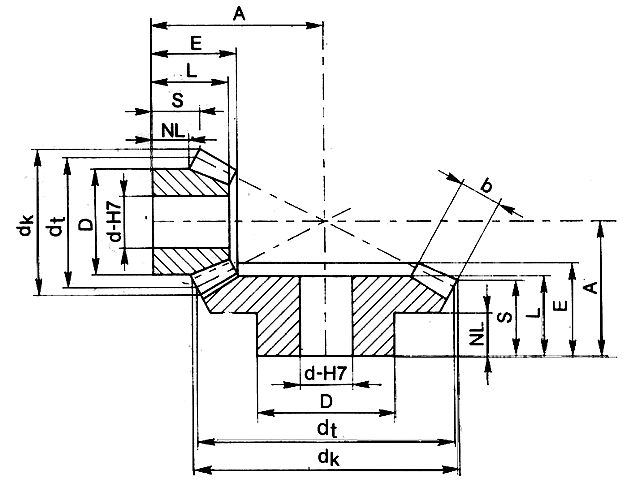
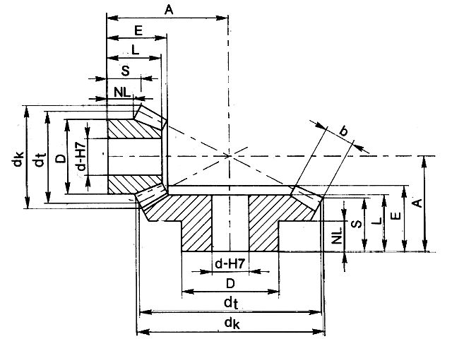
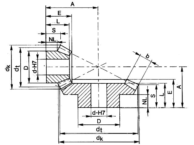
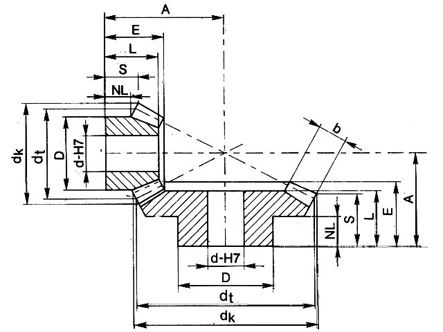
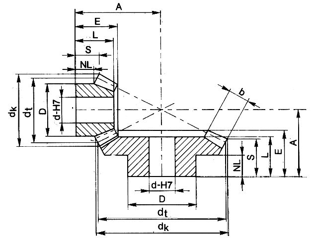
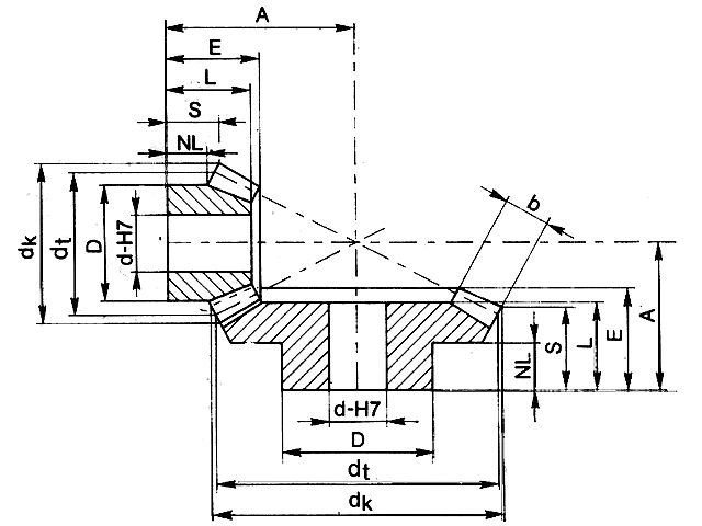
![]() Art.Nr.: 355207 Artikel: 3 von 20 | Kegelrad aus AzetalharzModul 0,5 / 16 Zähne / Bohrung 3,0 mmModul 0,5 / Zähnezahl 16, Kopfkreis (dk) 8,7 mm Ø, Teilkreis (dt) 8 mm Ø, Bund Ø (D) 7 mm Ø, Bundhöhe (NL) 6 mm, Bohrungstiefe (L) 8 mm, ges. Höhe (E) 8 mm, verzahnte Breite (b) 2 mm, Bohrung Ø (d) 3 mm, Abstand Achsmitte (A) 10,5 mm, bei 2 Stück Untersetzung 1:1, Winkel 90 Grad, (Preisangabe für 1 Stück) | |
![]() Art.Nr.: 355507 Artikel: 4 von 20 | Kegelrad aus AzetalharzModul 1,0 / 16 Zähne / Bohrung 5,0 mmModul 1,0 / Zähnezahl 16, Kopfkreis (dk) 17,6 mm Ø, Teilkreis (dt) 16 mm Ø, Bund Ø (D) 12 mm Ø, Bundhöhe (NL) 8 mm, Bohrungstiefe (L) 13,6 mm, ges. Höhe (E) 13,6 mm, verzahnte Breite (b) 4,7 mm, Bohrung Ø (d) 5 mm, Abstand Achsmitte (A) 18,5 mm, bei 2 Stück Untersetzung 1:1, Winkel 90 Grad, (Preisangabe für 1 Stück) | |
![]() Art.Nr.: 355520 Artikel: 5 von 20 | Kegelrad aus AzetalharzModul 1,0 / 30 Zähne / Bohrung 6,0 mmModul 1,0 / Zähnezahl 30, Kopfkreis (dk) 31,4 mm Ø, Teilkreis (dt) 30 mm Ø, Bund Ø (D) 15 mm Ø, Bundhöhe (NL) 7,5 mm, Bohrungstiefe (L) 12,9 mm, ges. Höhe (E) 15,3 mm, verzahnte Breite (b) 7,2 mm, Bohrung Ø (d) 6 mm, Abstand Achsmitte (A) 24,5 mm, bei 2 Stück Untersetzung 1:1, Winkel 90 Grad, (Preisangabe für 1 Stück) | |
![]() Art.Nr.: 355556 Artikel: 6 von 20 | Kegelrad aus AzetalharzModul 1,0 / 15 Zähne / Bohrung 5,0 mm/ passend zu Artikel Nr.355557/ Untersetzung 1:2Modul 1,0 / Zähnezahl 15, Kopfkreis (dk) 16,8 mm Ø, Teilkreis (dt) 15 mm Ø, Bund Ø (D) 12,2 mm Ø, Bundhöhe (NL) 11,3 mm, Bohrungstiefe (L) 20 mm, ges. Höhe (E) 20,6 mm, verzahnte Breite (b) 6,6 mm, Bohrung Ø (d) 5 mm, Abstand Achsmitte (A) 26,5 mm, passend zu Artikel Nr.355557, Untersetzung 1:2, Winkel 90 Grad, (Preisangabe für 1 Stück) | |
![]() Art.Nr.: 355557 Artikel: 7 von 20 | Kegelrad aus AzetalharzModul 1,0 / 30 Zähne / Bohrung 8,0 mm/ passend zu Artikel Nr.355556/ Untersetzung 1:2Modul 1,0 / Zähnezahl 30, Kopfkreis (dk) 31,1 mm Ø, Teilkreis (dt) 30 mm Ø, Bund Ø (D) 18 mm Ø, Bundhöhe (NL) 9,1 mm, Bohrungstiefe (L) 14,8 mm, ges. Höhe (E) 16,2 mm, verzahnte Breite (b) 6,6 mm, Bohrung Ø (d) 8 mm, Abstand Achsmitte (A) 20,9 mm, passend zu Artikel Nr.355556, Untersetzung 1:2, Winkel 90 Grad, (Preisangabe für 1 Stück) | |
![]() Art.Nr.: 355576 Artikel: 8 von 20 | Kegelrad aus AzetalharzModul 1,0 / 15 Zähne / Bohrung 5,0 mm/ passend zu Artikel Nr.355577/ Untersetzung 1:3Modul 1,0 / Zähnezahl 15, Kopfkreis (dk) 16,6 mm Ø, Teilkreis (dt) 15 mm Ø, Bund Ø (D) 12,3 mm Ø, Bundhöhe (NL) 11 mm, Bohrungstiefe (L) 20,4 mm, ges. Höhe (E) 20,4 mm, verzahnte Breite (b) 9,2 mm, Bohrung Ø (d) 5 mm, Abstand Achsmitte (A) 34,3 mm, passend zu Artikel Nr.355577, Untersetzung 1:3, Winkel 90 Grad, (Preisangabe für 1 Stück) | |
![]() Art.Nr.: 355577 Artikel: 9 von 20 | Kegelrad aus AzetalharzModul 1,0 / 45 Zähne / Bohrung 10,0 mm/ passend zu Artikel Nr.355576/ Untersetzung 1:3Modul 1,0 / Zähnezahl 45, Kopfkreis (dk) 46,1 mm Ø, Teilkreis (dt) 45 mm Ø, Bund Ø (D) 23,4 mm Ø, Bundhöhe (NL) 9,6 mm, Bohrungtiefe (L) 16,5 mm, ges. Höhe (E) 18,2 mm, verzahnte Breite (b) 9,2 mm, Bohrund Ø (d) 10 mm, Abstand Achsmitte (A) 22,7 mm, passend zu Artikel Nr.355576, Untersetzung 1:3, Winkel 90 Grad, (Preisangabe für 1 Stück)- | |
![]() Art.Nr.: 355588 Artikel: 10 von 20 | Kegelrad aus AzetalharzModul 1,0 / 10 Zähne / Bohrung 4,0 mm/ passend zu Artikel Nr.355589/ Untersetzung 1:4Modul 1,0 / Zähnezahl 10, Kopfkreis (dk) 12 mm Ø, Teilkreis (dt) 10 mm Ø, Bund Ø (D) 7,8 mm Ø, Bundhöhe (NL) 9,3 mm, Bohrungstiefe (L) 17,7 mm, ges. Höhe (E) 17,7 mm, verzahnte Breite (b) 8,2 mm, Bohrung Ø (d) 4 mm, Abstand Achsmitte (A) 30,1 mm, passend zu Artikel Nr.355589, Untersetzung 1:4, Winkel 90 Grad, (Preisangabe für 1 Stück) | |
![]() Art.Nr.: 355589 Artikel: 11 von 20 | Kegelrad aus AzetalharzModul 1,0 / 40 Zähne / Bohrung 10,0 mm/ passend zu Artikel Nr.355588/ Untersetzung 1:4Modul 1,0 / Zähnezahl 40, Kopfkreis (dk) 40,8 mm Ø, Teilkreis (dt) 40 mm Ø, Bund Ø (D) 23,4 mm Ø, Bundhöhe (NL)10,8 mm, Bohrungstiefe (L) 15,7 mm, ges. Höhe (E) 17 mm, verzahnte Breite (b) 8,2 mm, Bohrung Ø (d) 10 mm, Abstand Achsmitte (A) 20,1 mm, passend zu Artikel Nr.355588, Untersetzung 1:4, Winkel 90 Grad, (Preisangabe für 1 Stück) | |
![]() Art.Nr.: 360211 Artikel: 12 von 20 | Kegelrad aus StahlModul 0,5 / 20 Zähne / Bohrung 4,0 mmModul 0,5 / Zähnezahl 20, Kopfkreis (dk) 10,7 mm Ø, Teilkreis (dt) 10 mm Ø, Bund Ø (D) 8 mm Ø, Bundhöhe (NL) 4 mm, Bohrungstiefe (L) 6,7 mm, ges. Höhe (E) 7 mm, verzahnte Breite (b) 3 mm, Bohrung Ø (d) 4 mm, Abstand Achsmitte (A) 9,7 mm, bei 2 Stück Untersetzung 1:1, Winkel 90 Grad, (Preisangabe für 1 Stück) | |
![]() Art.Nr.: 360226 Artikel: 13 von 20 | Kegelrad aus StahlModul 0,5 / 40 Zähne / Bohrung 4,0 mmModul 0,5 / Zähnezahl 40, Kopfkreis (dk) 20,7 mm Ø, Teilkreis (dt) 20 mm Ø, Bund Ø (D) 12 mm Ø, Bundhöhe (NL) 5 mm, Bohrungstiefe (L) 8,5 mm, ges. Höhe (E) 9,5 mm, verzahnte Breite (b) 3 mm, Bohrung Ø (d) 4 mm, Abstand Achsmitte (A) 17,1 mm, bei 2 Stück Untersetzung 1:1, Winkel 90 Grad, (Preisangabe für 1 Stück) | |
![]() Art.Nr.: 360260 Artikel: 14 von 20 | Kegelrad aus StahlModul 0,5 / 20 Zähne / Bohrung 4,0 mm/ passend zu Artikel Nr.360261/ Untersetzung 1:2Modul 0,5 / Zähnezahl 20, Kopfkreis (dk) 11,2 mm Ø, Teilkreis (dt) 10 mm Ø, Bund Ø (D) 8 mm Ø, Bundhöhe (NL) 4 mm, Bohrungstiefe (L) 7 mm, ges. Höhe (E) 7,5 mm, verzahnte Breite (b) 3 mm, Bohrung Ø (d) 4 mm, Abstand Achsmitte (A) 14,6 mm, passend zu Artikel Nr.360261, Untersetzung 1:2, Winkel 90 Grad, (Preisangabe für 1 Stück) | |
![]() Art.Nr.: 360261 Artikel: 15 von 20 | Kegelrad aus StahlModul 0,5 / 40 Zähne / Bohrung 4,0 mm/ passend zu Artikel Nr.360260, Untersetzung 1:2Modul 0,5 / Zähnezahl 40, Kopfkreis (dk) 20,3 mm Ø, Teilkreis (dt) 20 mm Ø, Bund Ø (D) 12 mm Ø, Bundhöhe (NL) 5 mm, Bohrungstiefe (L) 7,5 mm, ges. Höhe (E) 8,4 mm, verzahnte Breite (b) 3 mm, Bohrung Ø (d) 4 mm, Abstand Achsmitte (A) 11,8 mm, passend zu Artikel Nr.360260, Untersetzung 1:2, Winkel 90 Grad, (Preisangabe für 1 Stück) | |
![]() Art.Nr.: 360276 Artikel: 16 von 20 | Kegelrad aus StahlModul 0,5 / 15 Zähne / Bohrung 4,0 mm/ passend zu Artikel Nr.360277, Untersetzung 1:3Modul 1,0 / Zähnezahl 15, Kopfkreis (dk) 8,8 mm Ø, Teilkreis (dt) 7,5 mm Ø, Bund Ø (D) 6 mm Ø, Bundhöhe (NL) 3,7 mm, Bohrungstiefe (L) 6,5 mm, ges. Höhe (E) 7 mm, verzahnte Breite (b) 3 mm, Bohrung Ø (d) 3 mm, Abstand Achsmitte (A) 15,3 mm, passend zu Artikel Nr.360277, Untersetzung 1:3, Winkel 90 Grad, (Preisangabe für 1 Stück) | |
![]() Art.Nr.: 360277 Artikel: 17 von 20 | Kegelrad aus StahlModul 0,5 / 45 Zähne / Bohrung 4,0 mm/ passend zu Artikel Nr.360276, Untersetzung 1:3Modul 0,5 / Zähnezahl 45, Kopfkreis (dk) 22,7 mm Ø, Teilkreis (dt) 22.5 mm Ø, Bund Ø (D) 12 mm Ø, Bundhöhe (NL) 5 mm, Bohrungstiefe (L) 7,5 mm, ges. Höhe (E) 8,4 mm, verzahnte Breite (b) 3 mm, Bohrung Ø (d) 4 mm, Abstand Achsmitte (A) 11 mm, passend zu Artikel Nr.360276, Untersetzung 1:32, Winkel 90 Grad, (Preisangabe für 1 Stück) | |
![]() Art.Nr.: 360510 Artikel: 18 von 20 | Kegelrad aus StahlModul 1,0 / 19 Zähne / Bohrung 5,0 mm/ bei 2 Stück Untersetzung 1:1Modul 1,0 / Zähnezahl 19, Kopfkreis (dk) 20,4 mm Ø, Teilkreis (dt) 19 mm Ø, Bund Ø (D) 15 mm Ø, Bundhöhe (NL) 6,5 mm, Bohrungstiefe (L) 10 mm, ges. Höhe (E) 11,8 mm, verzahnte Breite (b) 4 mm, Bohrung Ø (d) 5 mm, Abstand Achsmitte (A) 17,9 mm, bei 2 Stück Untersetzung 1:1, (Preisangabe 1 Stück) | |
![]() Art.Nr.: 360556 Artikel: 19 von 20 | Kegelrad aus StahlModul 1,0 / 15 Zähne / Bohrung 5,0 mm/ passend zu Artikel Nr.360557, Untersetzung 1:2Modul 1,0 / Zähnezahl 15, Kopfkreis (dk) 17,4 mm Ø, Teilkreis (dt) 15 mm Ø, Bund Ø (D) 13 mm Ø, Bundhöhe (NL) 6,5 mm, Bohrungstiefe (L) 11 mm, ges. Höhe (E) 11,9 mm, verzahnte Breite (b) 5 mm, Bohrung Ø (d) 5 mm, Abstand Achsmitte (A) 14,3 mm, passend zu Artikel Nr.360557, Untersetzung 1:2, Winkel 90 Grad, (Preisangabe für 1 Stück) | |
![]() Art.Nr.: 360557 Artikel: 20 von 20 | Kegelrad aus StahlModul 1,0 / 30 Zähne / Bohrung 5,0 mm/ passend zu Artikel Nr.360556, Untersetzung 1:2Modul 1,0 / Zähnezahl 30, Kopfkreis (dk) 30,6 mm Ø, Teilkreis (dt) 30 mm Ø, Bund Ø (D) 20 mm Ø, Bundhöhe (NL) 9 mm, Bohrungstiefe (L) 13 mm, ges. Höhe (E) 15,1 mm, verzahnte Breite (b) 5 mm, Bohrung Ø (d)58 mm, Abstand Achsmitte (A) 27,5 mm, passend zu Artikel Nr.360556, Untersetzung 1:2, Winkel 90 Grad, (Preisangabe für 1 Stück) | |